

【醫療功能房間詳圖詳解Ⅰ】
編輯推薦
怎樣設計醫院房間才實用?
每個科室必備的設備、傢俱有哪些?
醫患合理的行動路線是……
詳圖詳解給你全方位的設計解析-------------------——
1.標準的房間佈局和高度設定2.不同房間的功能展示及行為示意3.讓你大飽眼福的平面圖、實景圖(插入圖片1/2/3,在所附檔案:醫療征訂單插圖)
沒有一蹴而就的完美,只有實踐的精華和用心的設計!
◆彙集多年實踐研究成果,精選53個常用醫療功能房間,為醫療設計者及管理者提供實用且人性化的設計方案
◆詳圖解析門診部、急診部、住院部、醫技科室四大類醫療空間,提供功能與服務相結合的新式醫療設計技巧
◆採用表格和圖紙兩種形式,融入人性化理念+實用性規劃設計+平面、實景圖,全方位展示與重點化講解,真正好用的醫療房間設計手册
◆佈局與功能的雙層面細節設計,兼具實用性與設計感,打造溫馨合理的醫療空間
內容簡介
如何營造整潔、舒適的就醫環境? 如何運用設計打造綠色、和諧的醫療空間? 新式圖解,給你貼心的設計攻略!
本書主要是對醫療功能房間的詳圖解析,全書按門診部、急診部、住院病區、醫技科室四部分進行深入分析,通過房間平面圖、實景圖、醫療行為示意及專業的文字解析,系統化介紹了不同醫療空間的佈局與功能,闡釋了醫療房間人性化設計理念與專業化服務內涵,為醫療設計者、 醫院管理者及工作人員提供有益的參攷。
作者簡介
北京睿勤永尚建設顧問有限公司立志於醫療工藝諮詢、設計、管理一體化專業發展,率先提出“工藝設計三段論”“工藝諮詢六板塊”“訂制醫院八步法”以及“空間行為8+3”等醫療工藝實施方法與基礎理論,以充分發揮醫療工藝顧問在項目全過程中的作用。
創立十年來,公司先後完成了120個項目,7萬多張床位,960多萬平方米的各類諮詢服務工作。 依靠前沿研究、誠實經營與業內豐厚口碑,睿勤顧問已經成為國內醫院建設諮詢行業的領先品牌。
目錄
第一章門診部006
一、標準診室006
二、耳鼻喉科診室011
三、婦科診室014
四、特需診室018
五、口腔科診室022
六、分診候診單元025
七、收費掛號單元027
八、平車、輪椅停放區029
九、注射室031
十、聯合會診室036
十一、治療準備室040
十二、霧化治療室043
第二章急診部047
一、輸液室047
二、急診搶救室050
三、清創室054
四、急診診室——雙入口式059
第三章住院病區061
一、VIP套間病房061
二、有獨立會客廳的VIP病房065
三、衛生間嵌套式病房068
四、衛生間外掛式病房070
五、四人病房074
六、兒童單人病房078
七、LDR一體化產房081
八、單間ICU085
九、感染科病房090
十、NICU(新生兒監護病房)092
十一、病房護士站094
十二、病房配劑室097
十三、病房配餐間101
十四、病區庫房102
十五、醫護更衣衛浴間104
十六、會議、示教室108
十七、污物間111
十八、醫護值班室113
十九、醫生辦公室116
二十、主任辦公室119
第四章醫技科室123
一、乳腺鉬靶室123
二、胃鏡檢查室125
三、透析病床單元129
四、運動平板試驗室(心內科)133
五、CT檢查室136
六、PCR實驗室138
七、肺功能檢查室142
八、骨密度檢查室143
九、口腔科清洗消毒室145
十、熱成像檢查室148
十一、睡眠監測室150
十二、中藥薰蒸室152
十三、血管造影DSA室154
十四、小型臨床化驗室156
十五、術後恢復室158
十六、超聲檢查室160
十七、心電檢查室161






--------------------------------------------------------------

【醫療功能房間詳圖詳解II】
內容簡介
醫療房間設計是整個醫療建築設計的重中之重、難中之難,很多室內設計師缺乏醫療專業知識,醫療系統管理者又缺少室內設計知識,要想把這兩者無縫對接,需要一個既懂醫療又懂室內設計的橋樑機构,而北京睿勤永尚建設顧問有限公司即是同時擁有這兩方面專家的專業諮詢公司。 他們把多年來成功的實踐經驗經過嚴謹、嚴密的整理,結集成書,推出了醫療功能房間系列。
本書是醫療功能房間系列之一,全書按門急診系列、住院系列、醫技系列、科研教學系列、其他系列等5大系列、66個常用醫療房間的設計進行圖文結合的講解,通過醫療行為示意圖、三維佈局圖、實景圖、資料表直觀呈現,不僅介紹了各區應怎樣規劃設計,更分析了此種設計的原因、優勢, 把各區的醫療行為解釋得更加清晰透徹。
作者簡介
傅馨延:畢業於北京大學醫學部,供職於北京睿勤永尚建設顧問有限公司。 公司由資深醫院建設專家董永青先生及其團隊於2007年創立,歷經數年的探索與創新,成功將工藝設計理論和專案管理理念運用到醫療功能設計與建設管理的實踐工作中。 公司成立以來,先後完成160餘個項目、10萬多張床位、1300多萬平方米的各類諮詢工作,項目總投資超1000億元。 公司始終以醫院工藝諮詢為覈心,兼具國內醫院運營團隊,提供醫院籌畫、醫院建設、醫院運營及專項服務等全過程諮詢服務。
目錄
章門急診系列8
一、預約式診室8
二、兒科診室(小兒/兒保)11
三、盆底治療室15
四、眼科治療室18
五、視野檢查室(單元)21
六、眼底照相室(單元)24
七、角膜地形圖室(單元)27
八、兒童視力篩查室29
九、采血室33
十、分層掛號收費室35
第二章住院系列39
一、產科病房(單人)39
二、核素病房(雙人)42
三、產科分娩室45
四、水中分娩室48
五、消毒配奶間51
六、視頻探視室54
七、出入院手續室57
第三章醫技系列61
一、過敏原檢測治療室61
二、康復OT室64
三、取精室67
四、骨髓穿刺室69
五、自采血室72
六、日間化療室74
七、標準手術室77
八、骨科手術室81
九、眼科雷射手術室84
十、碎石室87
十一、胃腸動力檢測室89
十二、動脈硬化檢查室92
十三、腸鏡檢查室94
十四、紅外乳透室97
十五、尿動力檢查室100
十六、中藥煎藥室103
十七、支氣管鏡檢查室106
十八、喉鏡檢查室109
十九、經顱多普勒檢查室112
二十、空氣加壓氧艙115
二十一、PET-CT室119
二十二、傾斜試驗室122
二十三、亞低溫治療病房126
二十四、螢光免疫室129
二十五、酶標儀室131
二十六、真菌實驗室133
二十七、寄生蟲實驗室136
二十八、流式細胞室139
二十九、生殖取卵室141
三十、IVF培養室144
三十一、胚胎冷凍室149
三十二、病理標本取材室152
三十三、病理脫水包埋室155
三十四、冰凍切片室158
三十五、病理診斷室162
三十六、中草藥配劑室165
三十七、消毒供應中心分類清洗消毒區168
三十八、消毒供應中心打包滅菌區172
三十九、消毒供應中心無菌存放間175
四十、住院藥房178
四十一、體液標本接收室180
四十二、光療室183
四十三、蠟療室185
四十四、肌電圖檢查室187
四十五、MRI室190
四十六、腦磁圖室194
第四章科研教學/其他系列198
一、遠程會診室198
二、模擬教學室(急救)201
三、污物間203
附錄206
一、綜合政策法規206
二、專項政策法規206
三、其他208






--------------------------------------------------------------

【醫療功能房間詳圖集Ⅱ】
內容簡介
本書主要是對醫院中的各醫療功能房間如急診室、門診室、病房等通過平面佈局圖、三維示意圖及具體的設計名額進行詳細的展示和介紹。
全書共分為三章,從醫療工藝設計的發展研究入手,涵蓋六大類醫療行為房間的平面佈局圖、三維示意圖、建築要求、裝備清單和機電要求,全面而系統地介紹了醫療工藝設計的目的、優勢、發展方向和基本方法,重點闡釋了醫療行為理念及醫療功能房間詳圖解析,使醫院在建設前期乃至全過程中, 醫護人員、設計師等全體參建人員都能看懂,構建建築與醫療領域的溝通“橋樑”。
作者簡介
左厚才,北京睿勤永尚建設顧問有限公司董事、總經理,建築師、碩士學歷。 畢業後在中國建築設計研究院從事建築設計工作,先後參與北京北大國際醫院前期籌建和北京朝陽醫院門急診綜合樓建設管理工作。
自2007年參與組建“睿勤”品牌及從事諮詢工作十年來,歷經80多個醫院建設項目不同階段的醫院工藝設計與諮詢工作。
目錄
章 系統化醫院工藝設計1
一、醫院工藝設計目的1
1.項目醫療策劃1
2.建築設計任務2
3.造價名額估算2
4.醫院規劃輔助系統2
二、應用醫院工藝設計三大優勢2
1.少走彎路,提高整體項目控制能力2
2.增進溝通,節約方案設計階段時間2
3.减少拆改,降低施工過程中的變更洽商3
三、醫院工藝設計的發展方向3
1.醫療設備、傢俱數據化3
2.功能房間內涵標準化4
3.功能組織組合程式化4
4.功能系統個性化4
四、工藝方案設計基本方法4
1.工藝方案成果鏈5
2.建築概念設計方案評審系統5
3.空間標準與標準層設計6
4.一級流程設計標準與方法7
5.二級流程設計標準與方法8
第二章 醫療功能房間設計說明10
一、醫療行為基本理念10
二、醫療功能房間詳圖使用說明11
1.總體說明11
2.關於柱網11
3.尺寸及組織11
4.關於表達12
5.附錄部分12
第三章 醫療功能房間詳圖13
1.標準診室(預約式)14
2.急診診室(雙入口)17
3.體檢診室20
4.兒科診室(小兒/兒保)23
5.單人病房(衛生間外置)26
6. VIP病房29
7.產科病房(單人)32
8.核素病房(雙人)35
9.感染病房(雙人)38
10.心肺復蘇室41
11.取精室44
12.骨髓穿刺室47
13.采血室50
14.自采血室53
15.新生兒處置室56
16.眼科治療室59
17.盆底治療室62
18.日間化療室65
19. ICU單間68
20.監護島型ICU單間71
21.產科分娩室74
22. C-LDR產房77
23.水中分娩室80
24.標準手術室83
25.骨科手術室85
26.眼科雷射手術室87
27.生殖取卵室90
28.碎石室93
29.運動平板室96
30.胃腸動力檢測室99
31.睡眠監測室102
32.動脈硬化檢查室105
33.亞健康檢查室108
34.過敏原檢測治療室111
35.熱成像檢查室114
36.紅外乳透室117
37.尿動力檢查室120
38.腸鏡檢查室123
39.超聲內鏡檢查室126
40.視野檢查室129
41.眼底照相室132
42.角膜地形圖室135
43.兒童視力篩查室138
44.胃鏡檢查室141
45.支氣管鏡檢查室144
46.喉鏡室147
47.經顱多普勒檢查室150
48.超聲檢查室153
49.眼科AB超檢查室156
50.空氣加壓氧艙159
51.光療室161
52.蠟療室164
53.肌電圖檢查室167
54.中藥煎藥室170
55. MRI室173
56.腦磁圖室177
57.血管造影DSA室180
58.直線加速器室(15M)184
59. X線類比定位室187
60. PET-CT室189
61.骨密度檢查室191
62.口腔科診室194
63.傾斜試驗室197
64.口腔清洗消毒室200
65.亞低溫治療病房203
66.臨檢室206
67.螢光免疫室209
68.酶標儀室212
69.真菌實驗室215
70.寄生蟲實驗室218
71.流式細胞室221
72. IVF培養室224
73.病理取材室227
74.脫水包埋室230
75.冰凍切片室233
76.病理診斷室236
77.解剖間239
78.中草藥配劑室241
79.消毒供應中心分類清洗消毒室244
80.消毒供應中心打包滅菌室247
81.消毒供應中心無菌存放間250
82.消毒配奶間253
83.醫護值班室256
84.遠程會診室259
85.模擬教學室(急救)262
86.無性別衛生間265
87.醫療廢物處理間268
88.保潔室271
89.醫療垃圾暫存間274
90.分層收費掛號室276
91.出入院手續室279
92.住院藥房282
93.體液標本接收室285
94.視頻探視室288
95.病房庫房291
96.病案庫294
97.試劑存儲室297
98.停屍間300
99.胚胎冷凍室303
100.告別室306
附錄一 醫療功能房間詳圖設計及應用的10個重要問題308
1.定義308
2.醫療功能房間詳圖設計同醫院工藝設計系統的關係 308
3.醫療功能房間詳圖設計同醫院建築設計的關係308
4.適用範圍308
5.服務範圍308
6.設計方法308
7.依據308
8.表達308
9.步驟308
10.分類及編碼 308
附錄二 主要參考書目及規範309





--------------------------------------------------------------

【醫療功能房間詳圖集3】
內容簡介
本書主要對醫院各功能房間如診室、病房、辦公、醫技室等通過平面佈局圖和具體的設計名額如建築要求、醫療裝備要求、機電設備要求等進行詳細的匯總和展示,每個房間均有功能說明。
全書共分為三章,章闡述了醫療功能房間詳圖設計的理論體系,介紹了醫療工藝設計的“三段論”和“八步法”及醫療資訊管理系統。 第二章講解了醫療功能房間詳圖在醫院設計中的應用,包括在醫療工藝諮詢和設計中的應用。 第三章為本書主體,匯總了100個醫療功能房間,每個房間均包括平面佈局圖、建築要求、裝備清單和機電要求的介紹,直觀展示了各空間所需的面積、尺寸,各醫療設備的擺放位置及需要注意的設計問題,不僅設計師,醫療管理者、實際使用人員等都可以看懂,構建起設計者與使用者的溝通“橋樑”。
作者簡介
楊磊:畢業於中國石油大學電子資訊工程專業,多年從事醫療工藝條件設計工作。 加入北京睿勤永尚建設顧問有限公司後,參加了超過30個項目的工藝條件設計,主持完成了天津空港國際醫院工藝條件設計的全面工作,參與了新疆烏魯木齊兒童醫院項目、天津空港康復醫院項目、深圳市南山醫院改擴建項目、泰康同濟(武漢)醫院項目、江蘇徐州三胞醫院管理有限公司設計項目等。
目錄
章醫療功能房間詳圖設計的理論體系9
一、醫療工藝設計“三段論”9
醫院工藝規劃設計9
醫院工藝方案設計9
醫院工藝條件設計10
二、醫療工藝設計“八步法”10
整體計畫與全程控制10
戰略規劃與運營商業計畫10
工藝規劃與設計任務書11
工藝方案與流程優化11
工藝條件與專項設計11
圖紙工藝審查與評估11
傢俱設備與過程評估11
開辦諮詢與驗收評估12
三、醫療空間行為12
醫療空間行為的概念12
醫療空間行為的分類12
四、醫療工藝資訊管理系統(FDS)16
1.FDS的編碼體系簡介16
2.FDS能够做出的成果文件17
第二章醫療功能房間詳圖在醫院設計中的應用18
一、醫療工藝諮詢的作用18
醫療工藝諮詢成果是設計工作的重要依據18
醫療工藝設計是醫院項目量化目標的方法論18
醫療工藝諮詢團隊是醫院運營團隊的重要助手18
醫療工藝諮詢團隊是設計管理的重要資源18
二、醫療工藝在設計中的應用18
醫院定位與學科規劃研究階段19
醫院建設內容與面積標準研究階段19
醫療功能空間與醫療流程研究階段19
參與建築一級流程優化階段19
參與建築二級流程優化階段19
提供各類醫療空間條件階段19
對各個專業施工圖紙進行醫療工藝審查階段20
施工期間與竣工驗收的評估服務20
第三章醫療功能房間詳圖21
單人診室(獨立衛生間)22
急診診室(雙入口)24
特需診室26
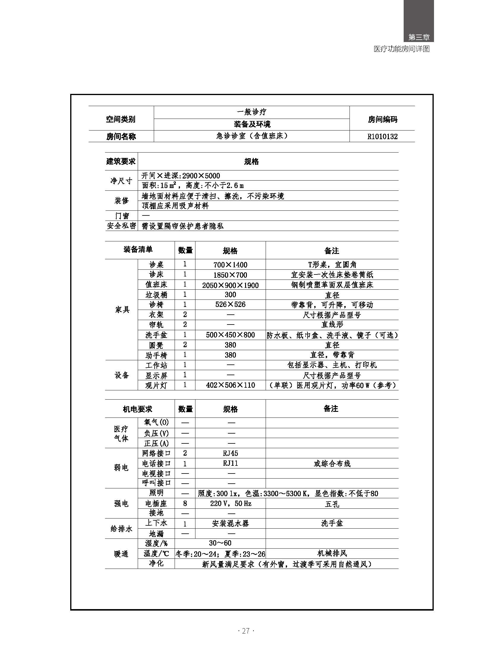
急診診室(含值班床)28
肛腸科診室30
心理評估室32
皮膚科診室34
皮膚鏡檢查室36
預約式婦科診室38
婦科診室(雙床)40
婦科體檢診室42
兒科診室(小兒)44
兒童智力篩查室46
生長發育量測室48
兒童體質監測室50
體格發育監測室52
吞咽評估治療室54
步態功能評估室56
兒童營養診室58
普通病房(單人)60
監護島型單床病房62
骨髓移植層流病房64
核素病房(雙人)66
單人隔離病房68
核醫學單人候診室70
結構化教室72
患者活動室74
兒童活動室(含宣講)76
小型哺乳室78
心肺復蘇室80
處置室82
高活性注射室(給藥室)84
注射室86
接嬰室88
嬰兒洗澡間90
治療處置室92
個人心理治療室94
早期發展治療室(含培訓)96
中醫理療室98
40.VIP輸液室100
家化新生兒病房102
袋鼠式護理病房104
新生兒重症監護病房106
早產兒護理間108
隔離分娩室110
睡眠腦電圖室112
語言治療室114
兒童視聽感統訓練室116
眼科診室及暗室118
眼科配鏡室120
51.LEEP刀治療室122
陰道鏡檢查室124
53.VIP超聲檢查室126
超聲骨密度檢查室128
腫瘤熱療室130
56.ADL訓練區132
中藥熏洗室(單人)134
結腸水療室136
沙盤治療室138
60.DR室140
全景室143
62.MRI-GRT(8 MV直線加速器)145
後裝治療室149
甲狀腺攝碘率測定室151
65.CT室153
制水設備室156
耳鼻喉特需診室158
口腔VIP診室160
內鏡洗消室162
儲鏡室164
迴旋加速器室166
分裝室169
儲源室171
精子處理室173
血氣分析實驗室175
電泳室177
77.PCR實驗室179
放射免疫分析室182
79.PI實驗室184
二氧化碳培養室186
細胞培養室188
病房配劑室(三間套)190
核方列印室192
推車清洗室194
護士長辦公室196
醫生休息室(沙發)198
醫護休息室200
聯合會診室202
無障礙衛生間(助浴)204
親子衛生間206
親子衛生間(單間)208
更衣室(18櫃)210
緩衝間212
核素廢物暫存間214
中藥發藥單元216
自動發藥視窗218
儀器設備庫房220
維修間222
精子庫224
體檢備餐間226
附錄房間編號及名稱對照表228







桃園劉**[0998***231]
12分鐘前【醫療功能房間詳圖詳解】 - 【醫療功能房間詳圖詳解】(全四册)
臺北陳**[0951***414]
5分鐘前【醫療功能房間詳圖詳解】 - 【醫療功能房間詳圖詳解】(全四册)
新竹吳**[0966***989]
半小時前【醫療功能房間詳圖詳解】 - 【醫療功能房間詳圖詳解】(全四册)
嘉義劉**[0918***541]
20分鐘前【醫療功能房間詳圖詳解】 - 【醫療功能房間詳圖詳解】(全四册)
臺南孫**[0938***622]
5分鐘前【醫療功能房間詳圖詳解】 - 【醫療功能房間詳圖詳解】(全四册)
臺北朱**[0966***215]
25分鐘前【醫療功能房間詳圖詳解】 - 【醫療功能房間詳圖詳解】(全四册)
新北孫**[0933***260]
11分鐘前【醫療功能房間詳圖詳解】 - 【醫療功能房間詳圖詳解】(全四册)
臺南黃**[0918***734]
半小時前【醫療功能房間詳圖詳解】 - 【醫療功能房間詳圖詳解】(全四册)
高雄孫**[0968***122]
25分鐘前【醫療功能房間詳圖詳解】 - 【醫療功能房間詳圖詳解】(全四册)
桃園鄭**[0986***131]
25分鐘前【醫療功能房間詳圖詳解】 - 【醫療功能房間詳圖詳解】(全四册)
基隆王**[0918***958]
7分鐘前【醫療功能房間詳圖詳解】 - 【醫療功能房間詳圖詳解】(全四册)
桃園朱**[0938***543]
5分鐘前【醫療功能房間詳圖詳解】 - 【醫療功能房間詳圖詳解】(全四册)
桃園朱**[0920***442]
11分鐘前【醫療功能房間詳圖詳解】 - 【醫療功能房間詳圖詳解】(全四册)
新竹錢**[0986***103]
12分鐘前【醫療功能房間詳圖詳解】 - 【醫療功能房間詳圖詳解】(全四册)
基隆鄭**[0918***545]
11分鐘前【醫療功能房間詳圖詳解】 - 【醫療功能房間詳圖詳解】(全四册)
新竹謝**[0956***313]
11分鐘前【醫療功能房間詳圖詳解】 - 【醫療功能房間詳圖詳解】(全四册)
桃園錢**[0946***448]
4分鐘前【醫療功能房間詳圖詳解】 - 【醫療功能房間詳圖詳解】(全四册)
嘉義陳**[0938***588]
20分鐘前【醫療功能房間詳圖詳解】 - 【醫療功能房間詳圖詳解】(全四册)
新北柳**[0933***153]
5分鐘前【醫療功能房間詳圖詳解】 - 【醫療功能房間詳圖詳解】(全四册)
臺中周**[0978***723]
11分鐘前【醫療功能房間詳圖詳解】 - 【醫療功能房間詳圖詳解】(全四册)
臺中王**[0960***661]
11分鐘前【醫療功能房間詳圖詳解】 - 【醫療功能房間詳圖詳解】(全四册)
基隆方**[0960***350]
15分鐘前【醫療功能房間詳圖詳解】 - 【醫療功能房間詳圖詳解】(全四册)
嘉義符**[0933***445]
20分鐘前【醫療功能房間詳圖詳解】 - 【醫療功能房間詳圖詳解】(全四册)
新竹方**[0920***879]
15分鐘前【醫療功能房間詳圖詳解】 - 【醫療功能房間詳圖詳解】(全四册)
臺北鍾**[0998***528]
12分鐘前【醫療功能房間詳圖詳解】 - 【醫療功能房間詳圖詳解】(全四册)
新竹楊**[0998***660]
5分鐘前【醫療功能房間詳圖詳解】 - 【醫療功能房間詳圖詳解】(全四册)
新竹鄭**[0986***978]
25分鐘前【醫療功能房間詳圖詳解】 - 【醫療功能房間詳圖詳解】(全四册)
臺南錢**[0966***189]
11分鐘前【醫療功能房間詳圖詳解】 - 【醫療功能房間詳圖詳解】(全四册)
桃園仲**[0932***645]
25分鐘前【醫療功能房間詳圖詳解】 - 【醫療功能房間詳圖詳解】(全四册)
高雄孫**[0978***359]
12分鐘前【醫療功能房間詳圖詳解】 - 【醫療功能房間詳圖詳解】(全四册)
新北鄭**[0951***721]
20分鐘前【醫療功能房間詳圖詳解】 - 【醫療功能房間詳圖詳解】(全四册)
新北黃**[0986***303]
2分鐘前【醫療功能房間詳圖詳解】 - 【醫療功能房間詳圖詳解】(全四册)
嘉義柳**[0933***260]
7分鐘前【醫療功能房間詳圖詳解】 - 【醫療功能房間詳圖詳解】(全四册)
臺南鍾**[0938***911]
25分鐘前【醫療功能房間詳圖詳解】 - 【醫療功能房間詳圖詳解】(全四册)
嘉義張**[0988***470]
2分鐘前【醫療功能房間詳圖詳解】 - 【醫療功能房間詳圖詳解】(全四册)
新北方**[0968***245]
半小時前【醫療功能房間詳圖詳解】 - 【醫療功能房間詳圖詳解】(全四册)
嘉義鍾**[0988***840]
11分鐘前【醫療功能房間詳圖詳解】 - 【醫療功能房間詳圖詳解】(全四册)
基隆黃**[0946***413]
20分鐘前【醫療功能房間詳圖詳解】 - 【醫療功能房間詳圖詳解】(全四册)
嘉義朱**[0986***690]
20分鐘前【醫療功能房間詳圖詳解】 - 【醫療功能房間詳圖詳解】(全四册)
高雄張**[0933***600]
半小時前【醫療功能房間詳圖詳解】 - 【醫療功能房間詳圖詳解】(全四册)
桃園周**[0978***967]
25分鐘前【醫療功能房間詳圖詳解】 - 【醫療功能房間詳圖詳解】(全四册)
基隆趙**[0978***136]
15分鐘前【醫療功能房間詳圖詳解】 - 【醫療功能房間詳圖詳解】(全四册)
新北鍾**[0978***752]
20分鐘前【醫療功能房間詳圖詳解】 - 【醫療功能房間詳圖詳解】(全四册)
桃園吳**[0988***858]
5分鐘前【醫療功能房間詳圖詳解】 - 【醫療功能房間詳圖詳解】(全四册)
新北楊**[0920***718]
2分鐘前【醫療功能房間詳圖詳解】 - 【醫療功能房間詳圖詳解】(全四册)
臺南符**[0988***160]
25分鐘前【醫療功能房間詳圖詳解】 - 【醫療功能房間詳圖詳解】(全四册)
新北吳**[0951***275]
15分鐘前【醫療功能房間詳圖詳解】 - 【醫療功能房間詳圖詳解】(全四册)
新北李**[0968***376]
4分鐘前【醫療功能房間詳圖詳解】 - 【醫療功能房間詳圖詳解】(全四册)
臺中符**[0951***240]
25分鐘前【醫療功能房間詳圖詳解】 - 【醫療功能房間詳圖詳解】(全四册)
嘉義吳**[0956***725]
5分鐘前【醫療功能房間詳圖詳解】 - 【醫療功能房間詳圖詳解】(全四册)
































